Marantz CDA 94 Limited
Marantz CDA 94 Limited
- Balanced output defect
- Cinch Digital input defect


Defecte Cinch digitale input

Zowel Fixed en Variable zijn regelbaar met Potmeter op het front

Ik denk dat er meer aan de hand is..
“It has had an upgrade/revision of the company crystal. Elcos replaced with big mkt’s. Better cabling.”


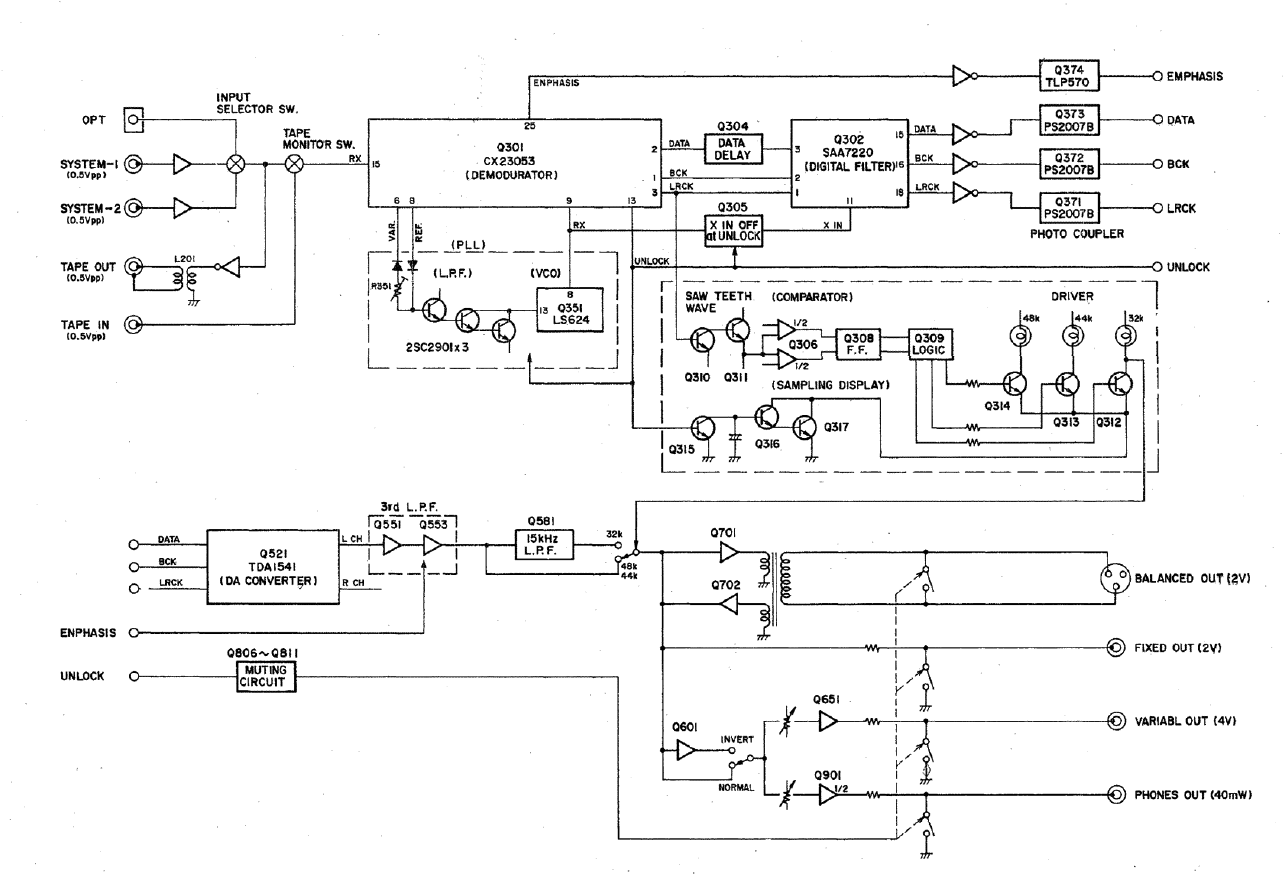
Blokschema















