Marantz CD80 D.I.Y.
Gisteren ontvangen 28 Kilo CD80 onderdelen.

Advertentie tekst..
Onderdelen Marantz CD80
Bovenkap 2x
Front 2x
Zamac zijpanelen 4x
Bodemplaat 2x (1 met voeding)
Mainboard 2x
Achterzijde 2x
Loopwerk 2x
Met volumeregeling
Kleine onderdelen: schroefjes, dopjes e.d.
Technische staat van elektronische onderdelen zijn niet bekend.

Daar moet toch 1 werkend exemplaar van te maken zijn…?!
Na wat rondneuzen in doos vol spullen , en puzzelen met onderdelen en servivemanuals,
Denk ik dat het gaat lukken…ik zie wel diverse modificatie van de vorige eigenaar , maar niks heel raars

Werkende de TDA1541a S1 nog…even van het mainboard gedesoldeerd en in een test speler gestopt. en ja zeker. muziek..

De twee werkende TDA1541a S1..

Karsten – “Mooi, Bram! Jij bent weer even van de straat… :mrgreen:”
Albert9000 – “Als ik je hier zo volg maak je er minstens 2 werkende van”
Dat gaat helaas niet , diverse onderdelen zijn ondeskundig uitklaar gehaald en dus defect , o.a. afgebroken plastic ect ect…en er was maar 1 voeding.
Movieman – “Waar vind je zoiets en waarom ligt het ding helemaal uit mekaar?”
Misschien omdat iemand van 3 CD80’s – 1 werkende CD80 heeft gemaakt of er gewoon 2 kapot heeft geknutseld.
Movieman – “Dat zal het wel zijn!, Past mooi bij de Marantz DD-82, is uit dezelfde serie. Ik zou de voeding weer origineel maken…”
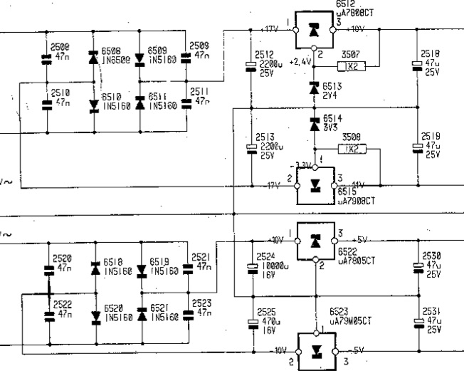
Will – “Ik niet. Je ziet dat de uitgangsspanning van de regelaars kunstmatig verhoogd is met twee zeners.
Die twee LM3xx geven een stabielere spanning dan een regelaar met een zener.”
Esgigt – “Ja, maar voor een goede werking moet je de “sense” ingang van de LM3xx’en goed afvlakken. Daar hoort dus nog een elko van ca. 22uF tot 47uF naar grond bij. Ook de elko aan de uitgang mag groter.
Daarnaast reguleren LM3xx regelaars pas optimaal als de stroomafname > 50mA is.”
Will – “De application notes van TI zeggen er dit over:
CADJ is recommended to improve ripple rejection. It prevents amplification of the ripple as the output voltage is adjusted higher. 10uF for advanced ripple rejection.
• Ci is recommended, particularly if the regulator is not in close proximity to the power-supply filter capacitors. A 0.1-μF or 1-μF ceramic or tantalum capacitor provides sufficient bypassing for most applications, especially when adjustment and output capacitors are used.
• CO improves transient response, but is not needed for stability.
En load regulation is gespecificeerd op 0,1% van Vo tussen 10mA en 1,5A”
esgigt -“Ik ken de Application notes van TI ook… ik ken de resultaten van expirimenten aan die dingen ook.
De waarden in Application notes werken goed, maar zijn niet optimaal.”
Als eerste de voeding maar eens getest.
Hey, wat is dat ..? 😮 , voeding modificatie , doorgeslepen print sporen , metaalfilm weerstanden.?!


De 78xx & 79xx zijn
vervangen door LM317 & LM337.

Meten is weten, we missen de +19 volt…Fusible weerstand 4,7 ohm stuk…
Verder is alles aanwezig..
De voeding werkt inmiddels weer en ik heb hem houtje-touwtje in elkaar gezet.
om de CDM1 mk2 even te testen…en we hebben beeld


In een poging om geluid uit de speler te krijgen , heb ik hem eerst digitaal aangesloten.
Zonder succes.. 🙁 ,
Het schema er bij gepakt en met scope en multimeter signalen gevolgt en opzoek naar het s/p-dif signaal dat stopt bij de 74LS08 &-poortjes, daar zit een “relais-control” signaal dat invloed heeft op de Digital-output on/off schakelaar, de smd-fet blijkt hier al eens een soldeerbout gezien te hebben. Ja je gelooft het niet de smd-fet zit op zijn kop gemonteerd…
, die is al eens van de print af geweest.
De op zijn kop gemonterde smd-fet er afgehaald en ja wel audio via de externe D/A..


Na het terug plaatsen van de DAC maar eens gaan meten op eerste opamp een NE5534.
en op 1 van de NE5534 een DC offset dat er voorzorg dat het protection circuit zijn werkt doet en niets op de uitgang zet, maar dat probleem was snel gevonden, er mist een weerstand die de opamp van voeding voorziet en ook een elco ontbreekt.


Na het plaatsen van de weerstand en een elco schakelen de relais netjes als de speler wordt aangezet , en gaan de leds op het front branden als de cd draait….
Na het plaatsen van een reserve cinch-chassis-deel komt er zowel analoge als digitale audio uit de speler

Van het weekend maar eens de remote volume regelaar aansluiten..
Will – “Dat begint aardig naar Cognac en sigaren te ruiken. Er is hier iemand met veel kennis van zaken vóór jou aan de slag geweest”
Hoewie Loewie – “Mooi Bram. Stapje voor stapje kom je steeds verder richting een spelende Maranz. Ik moet zeggen dat ik wel benieuwd ben naar het verhaal achter deze doos met onderdelen. Er is toch iemand geweest die twee spelers heeft gesloopt en bezig is geweest met de diverse printplaten en dergelijke. Ik neem tenminste aan, dat de missende onderdelen, die door jou teruggeplaatst worden, niet vanzelf zijn verdwenen.”
Voor

Onderweg

ChromeMaxiaII – “Aan Bram kan je een kist met onderdelen van een VW kever geven en dan bouwt ie daar ook een CD80 van.”
Movieman – “Ik heb zo’n vermoeden dat er gewoon wat soldeerwerk los zat maar dat “meneer” niet wist waar hij mee bezig was en maar wat heeft zitten aanklooien. Zo vaak gaan er geen onderdelen stuk in een Philips of Marantz CD-speler uit die tijd, het zijn meestal kleine onnozele dingetjes.
Loewie is een uitzondering op de regel, die krijgt alles stuk, ik zeg het er maar ff bij voor de volledigheid.”
Hoewie Loewie – “Geef Hoewie Loewie een doos vol met CD80 onderdelen en hij bouwt er in een handomdraai een VW kever van……….. “
esgigt – “Je doet andere genieën op dit forum onrecht, mijn beste Movieman”
Bij een poging om de remote volume print te testen , ging hij weer in dc-protection..

Aha, daarom doet ie het niet, breuk over gehele print. gelukkig heb ik een reserve in de doos..

Andere dingetjes die ik tegenkom op het tweede mainboard uit de doos.

Recap met 220 Uf ipv 47 uf..

Had ik niet een defecte voeding , is dit de oorzaak geweest

Verdwenen 22pf compenstatie C onder NE5534’s

Karsten – “Jouw voorganger werd bij zijn knutselwerkzaamheden niet gehinderd door enige kennis van zaken… “
Movieman – “Mooi diplomatiek omschreven Karsten, ik had het niet beter gekund. :think:
Bouwvakkers moeten zich niet aan elektronica wagen want dat gaat meestal mis… “
Schreef ik eerder over een FET, het moet een transitor zijn ..andere revisie print
Met Fet

Met Tor

Nou heb ik het idee dat de vorige eigenaar de transitor had vervangen door een FET
ChromeMaximaII – ” Interessant… enig idee wat bij de bipolaire transistorversie die condensator in de basis doet? Als ik het goed zie (wel of geen bolletje op de kruising?) loopt de pull-up via de schakelaar, dat kan als die vuil is ook problemen geven.”
Will – “Zo te zien is het een pulsgevertje voor de poort die er na komt. Transistor of fet, het kan technisch gezien alle twee.
Het is wel opvallend dat de schakeling veranderd is. Bij de transistor een Ctje om een pulsje te maken en waarschijnlijk te ontkoppelen (een langzaam veranderende gelijkspanning?). Bij de fet is een diode daarvoor gebruikt.”
Maar waarom zou je de digitale uitgang bij DC-protect of het aanzetten van de speler , even uit en aan willen zetten…?
ChromeMaxiaII – “Dat laatste kan ik me nog iets bij voorstellen, geen gekke bitjesrommel op de digitale uitgang bij in- en uitschakelen. DC-protect lijkt al of niet bedoeld meegekomen te zijn door de relaissturing van de analoge outs ook te gebruiken voor de digitale mute.
Is nogal een behoorlijk complex circuit voor de DC-beveiliging en in/uitschakelcontrole. Kijk eens ter vergelijk naar hoe dit in de bijna identieke CD880 en zelfs de CCD882 is gedaan. De digitale mute is gewoon met een tor en basisweerstand op de KILL-lijn geimplementeerd.”
hoofdtelefoon uitgang werkt ook weer en de remote-volume regelaar ook…
Displayprint is opnieuw in tin gezet en elco’s vervangen…
marbramtz cd80

Ik heb de print nog eens goed bekeken , op de plek van de weerstand zit bij mij de diode en op de plek van het c’tje de weerstand , de print is vanaf fabriek dus gemodificeerd en het klopt dan ook dat de FET raar op de print gemonteerd is .De layout van de print is net iets anders..
Iemand in het bezit van een wijziging blad voor de service manual..?!


Print met TOR-layout , FET BSR56 ipv TOR, de fet wordt inderdaad op de zijn kop geplaatst

Print met FET layout

Begonnen met het vervangen van de elco’s op mainboard.
het bekende verhaal 47 uf was nog maar +/- 10 uF, 100 uF was nog maar 20 uF

Ziet er weer netjes uit

Movieman – “Nichicon Muse UKZ? Mooi spul!
Voor het standaard werk gebruik in Vishay BC 037/038 en de bekerelco’s van de 056/058 series of Panasonic FR, Nichicon LGY, UPM/W, voor audio uiteraard ook Muse.
Die zwarte dingetjes met rubbermantel, zijn dat spoeltjes of condensatoren? Ooit een DAC960 hier gehad waarin ze die hadden verwijderd naar het motto Cognac en sigaren. “
Deze CD80 met modificaties is ook al een op bezoek geweest bij mij, Meneer dacht een revisie voor paar euro’s. 😀 , dus die was zo weer weg.
opamps waren vervangen door op42 & AD845 , micropoco polypropylene vervangen door styroflex en de 1 uF mkt in dc-servo vervangen door een knal gele 1uF mkp.

Movieman – “Helemaal gratis gaat natuurlijk niet. Breng zo’n ding maar eens naar de “erkende” monteur… Eerst 60 euro onderzoekskosten anders nemen ze het ding niet eens in handen en reviseren gebeurt sowieso niet zoals wij dit doen. Meestal gaat er goedkope Chinese of Koreaanse rommel in van “betrouwbare” distributeurs, u begrijpt wat ik bedoel…”
De digitale interface in CD880, maar een 74c74 is toch een flip/flop..?

ChromeMaximaII – “Het wordt steeds vreemder… het symbool is echter een IEC NAND gate. De vraag lijkt meer te worden hoeveel foutjes er in de tekeningen staan. “
Servo print onder CDM-1 mk2 schoongemaakt en voorzien van nieuwe elco’s
en print opnieuw gesoldeerd, ook hier al barstjes in solderingen…


Dat ga ik zeker doen..verslikte me in de cognac
.rateltje in audio op links..
20 mVolt ellende op de +10 en -11
Will – “Dat kan als de regelingang geen Ctje heeft, of als de ingangsspanning te laag is. Die LM3xx heeft wat meer spanningsval nodig dan een 78xx of 79xx.”

Movieman – “Rateltje in de audio door een slechte voeding? De LM’s moeten op de in- en uitgang worden ontkoppeld met keramische 100nF condensatortjes, kun je misschien eens uitproberen…
Lees hier: gewoon weer origineel maken dan ben je hopelijk van de ellende af. Zo heel slecht zijn moderne zeners niet dus het zal allemaal wel meevallen…”
Ik heb nog eens zitten kijken naar de modificaties, ik wordt er geen wijs uit.
7808 7805 7905 zijn vervangen door LM317 & LM337.
De 47uF zijn vervangen door 1500 uF ,
De zener van 3,3 volt zit nog op de print…?!

Will – “Ehhh??? Een paar tikfoutjes in je vorige post, Bram? Schema en tekst kloppen niet met elkaar.
Om kort te gaan: met een LM337/317 en 17V voeding moet een prima 10 en -11 Volt te maken zijn.
Maar dan natuurlijk zonder die zeners… 🙄
Teveel congac
En over die modificaties: Doe geen moeite, cognac en sigaren modificaties zijn nooit te begrijpen.”
Esgigt – “Tenzij die modificaties vanuit een engineering standpunt verklaarbaar/verdedigbaar zijn… En dat is soms echt wel het geval.
Niet altijd… soms zijn ze ook pure onzin en als je daarop doelt heb je natuurlijk groot gelijk.”
En de verbinding ( Draadbrug ) tussen Digitale en Analoge aarde is weg geknipt.
Albert9000 – “Ja, dat zie je bij nagenoeg alle modificaties. Argument: digitale “rommel” weghouden bij de analoge keten.”
Esgigt – “Doorgaans zijn die twee op slechts één plek op zekere wijze verbonden. Je wilt tenslotte geen potentiaal verschil van vele volts tussen analoog en digitaal, komt de werking niet echt ten goede. “
Zo de voeding is weer origineel, en wat denk je….” reutel weg
Jeroen – “Een dac mag wel een schone voeding hebben, daar is wel wat te halen, en de oscillator (7220) ook.
Ontkoppelen met ferrite beads en c’s.. Goedkope sigaren maar wel effectief. Vermoed dat hf op de voeding de boel wat meer jitter bezorgt.
Mooi project dit. Doet me eraan denken nog eens met de cd85/cdd882 mix verder te gaan. Die print kwam uit een cd85 van bram, in een 882 gezet, eeprom omgezet toen werkte het display.
Helaas is dat zo’n dc-gekoppeld ding. Klinkt niet lekker ondanks nieuwe onderdelen. Wil er die dc rommel nog eens uit slopen. Wrs geven die ingangen voor de dc correctie vervorming op het signaal.
Als je dat wil weten trek bij een cd960 het stekkertje van de koptelefoon print er eens uit, heb je ook minder vervorming. Elke halfgeleider die ergens aan je signaal hangt en niet nodig is eruit.. Philips haalde dan de afknijptorren nog wel met de basis onder nul, dan valt de ellende mee..”
Zo de laatste dingetjes ,
Mainboard schoongemaakt en geheel op nieuw gesoldeerd..

Drie gloeilampjes vervangen .

ChromeMaxiaII – “Proost! “
Movieman – “Het lijkt me inderdaad verstandig om de cognac pas na het knutselen te nuttigen anders krijg je namelijk het resultaat van je voorganger. “
Nico H -“Schitterend project 😀
Daar zaten wel een aantal erg leuke fouten in, gemaakt door iemand die niet werd gehinderd door enige kennis van zaken. De kleine blauwe philips elco,s kunnen inderdaad inmiddels klakkeloos vervangen worden, die zijn na zoveel jaren echt uitgedroogd.
Omdat de voeding van mijn cd80 ook erg slechte elco’s had, zijn die ook preventief vervangen. Maar da’s effe off topic in dit topic.
Puike speler, mooi project!
Groet Nico.”

