8 x Over Sampling TDA1541a – CXD 1244 ?
See also Staggered DAC
Today I received the PCB for my new experiment

Quickly poke some parts , and check SMD check footprints


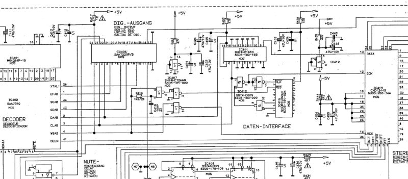
Idea based on grundig cd9009.

SMD placed

Some IC-sockets

Check power 5v, 3v,

Missed GND ;-(

sop/ssop Soldered by hand 🙂

We have 27 MHz

Quick test in philips CD 360

input signalen to CXD 1244
- Yellow – Bitclock
- Purple – L /R clock
- Bue – Data
Audio to cxd-1244

Digital Silence to CXD – 1244

PL1708 changed by PL1707 and placed S/Pdif transmitter to see if it will work

Recieved CXD-1244 and working in the Philips CD 360

FFT spectrum of a Multi-tone 4 x OS uit CXD 1244.

Staggered 8xOS by 2 times 4xOS time shifted and uses inverted Wordclock for 1 of the i2s
Information from Sony leaflet



- Groen – Wordclock
- Blue -Data even samples,
- Yellow – Data un even samples uit CXD-1244

More Sony Mode instead off i2s
Stopped clock in CD 104 with TDA1540
- Yellow – Stopped Clock
- Blue – Audio data
- Green – Latch

Again t CXD 1244 in Sony mode .

Building TDA1541(A) with double i2s input


PCB arrived 🙂

Testing with TDA1541a , working 🙂

Testing with 2 TDA’s 1541a , Works well but 6 dB more output

2 TDA1541a Parallel 0 dBfs to much for i/v converter

after modding I/V OpAmp, level is now 0dBfs is 2 Volt , Multitone


Oeps mistake , 2 SMD condenstator not solderen

Resoldered , we have nice THD+n numbers:-)

1 kHz FFT 20-20kHz
- Red = Grundig CD9009 2 x TDA1541a S1
- Blue = Philips CD360 2 x TDA 1541a with CXD 1244 mod

1 kHz FFT 20-96kHz
- Red = CD9009 2 x TDA1541a S1
- Blue = CD360 2 x TDA 1541a

Is it real 8 x oversampled , “meten is weten” , measured on i/v opamp output

SAA7220a + TDA1541 , 20 kHz 4 x oversampled

CXD1244 + 2 x TDA1541A 2x 4x oversampled staggered

Building Proto 2






See also Staggered DAC
