CXD 1144A vs CXD 1244

Is the CXD 1144 the big brother off the CXD -1244 or just the little brother
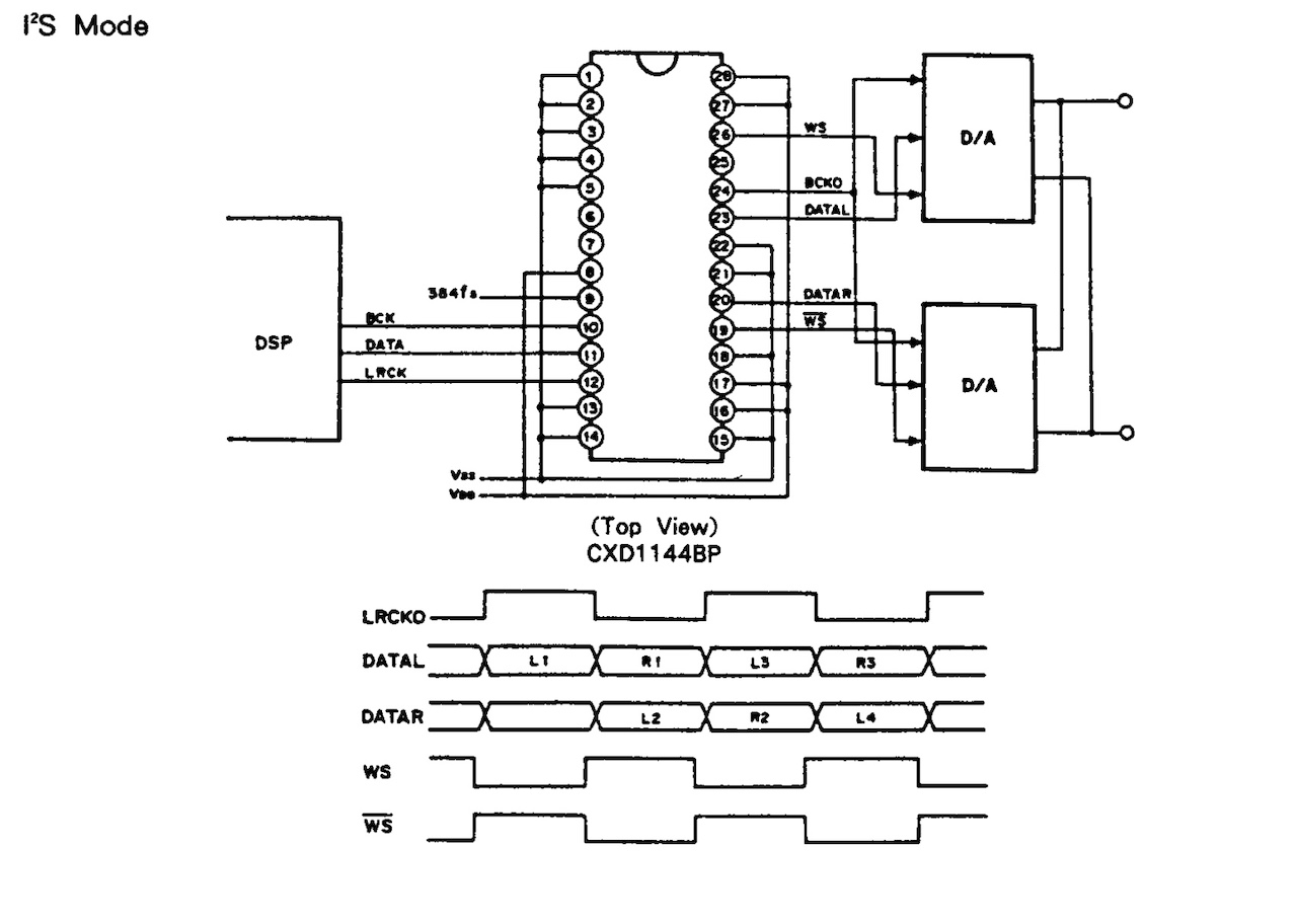
Blockdiagram CXD 1144B , CXD1144A is used in the Sony ESD 227 with double TDA1541A
i think that the used CXD1144A used here is not much different the the CXD 1144B in i2s mode

Block Diagram CXD 1244 , Used in for example Grundig CD 9009

The board i made is a SAA7220 Drop-in replacement
Block diagram off staggered mode

Okay some measuements
CXD 1144 0 dBfs 1 kHz

CXD 1244 0 dBfs 1kHz

CXD 1144 vs 1244 0 dBfs 1kHz

CXD 1144 -60 dB 1Khz

The CXD 1244 has a noise shaper

CXD 1244 -60 dB 1Khz with noise shaper off

CXD 1244 – 60 dB 1 kHz ( Noise Shaping ON )

CXD 1144 -60 dBfs 1kHz 20-96000 hz

CXD 1244 -60 dBfs 1kHz 20-96000 hz ( Noise Shaping OFF)

CXD 1244 -60 dBfs 1kHz 20-96000 hz ( Noise Shaping ON)

Edit : Extra Measurements with Audio Science Review test CD
Replaced SAA7220 with Drop-in modification CXD1244 in a Philips CD 160 with two TDA1541(a) with Grundig DEM.









