Making of NSM 4202 – NSM4202a replacement
Omdat ik voor een CD202 een NSM 4202 nodig heb en die niet te krijgen zijn , dacht ik
, ik heb nog een NSM4202a vervanger die moet kunnen werken…
Ben even aan het puzzelen gegaan.
Het moet kunnen..

De experimenteer CD150 voor proof of concept.

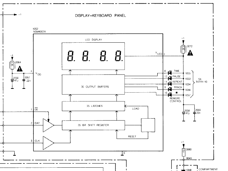
Een NSM4202a werkt dus het zelfde als NSM4202.

Nu nog de dubbelpunt op de punt van DS2 aansluiten.
En dan eens kijken hoe we dat netjes in een CD202 kunnen bouwen
en me eens verdiepen in KICAD of Dip-Trace
Met Dip-Trace aan het stoeien….
Gaat best wel, ik denk dat ik maar een proto moet laten maken van de NSM4202 vervanger.

Harrie – “dat ziet er prachtig uit ! zelfs in kleine series niet duur als je het in het verre oosten laat maken.”
Dankje wel , ik zal mijn dorpsgenoot ChromeMaximaII eens vragen waren hij de fa960 printjes heeft laten maken en er was iets met invoer rechten en douane kosten…
Maar in ben nog even bezig…want de maten van de NSM4202 is iets anders dan de NSM4202a.
Ik kon mijn testprint niet kwijt in de CD202…
ChromeMaximaII – “Tip van de dorpsgenoot
Als je ze laat maken bij itead, dan niet via DHL laten versturen maar via de reguliere post. Dan heb je het echt voor een drol vervaardigd en geleverd.”
Ik moet even kijken of het allemaal netjes gaat passen op 40mm * 20mm. :think:
de NSM4202 is 5mm smaller dan de NSM4202a.
Besteld en nu afwachten of het gaat werken…

ChromeMaximaII – “Dat heb je vlot gedaan!”
Als het werkt maak ik nog een nettere versie.
En iets groter SMD weerstand en SMD Condenstator en de opdruk aanpassenKleiner lukt het me niet. : 40mm * 21/22mm i.p.v. de 40mm*20mm.
Er zal wel een beetje gevijld moeten worden aan het plastic huisje waarop/in het display rust.

David – “Oh daar is plek zat om die 2mm nog wel te winnen…..
Moet het er boven af, of onder, of allebei een beetje?
Ik zie een uitdaging “
mae -“Als het nog kleiner moet zit je al snel op een 3e printlayer als ik het zo op het oog even zie. Is er niets met draadbruggen aan de achterkant te doen? Philips is daar zelf ook nooit vies van geweest.”
Ik heb nog een net ietsjes kleiner versie gemaakt , de onderdelen zijn inmiddels binnen en wacht nu nog op de printjes die al wel verzonden zijn.

Vanmiddag de test-printjes binnen gekregen..
Na het solderen en uitlijnen van de SMD chip en de 4 smd displays
werkt het op een klein foutje na prima ,helaas de time & track ledje’s omgewisseld
Dat zal ik oplossen in volgende versie

Movieman – “Heb je keurig gesoldeerd.”
Zo in diptrace de fout opgelost, pin 1 & 2 van connector omgedraait.

ChromeMaximaII schreef : Dat heb je vlot gedaan!
Te vlot time en track LED’s verkeert om
movieman schreef: Heb je keurig gesoldeerd
Dankje wel, Moet nog even iets bedenken om display’s mooi uitgelijnd te krijgen voor ik ze definitief vast soldeer…
Movieman – “Stukje recht aluminium/kunststof of een liniaal met dubbelzijdige tape precies onder de segmenten plakken, mooi uitlijnen en dan aan één kant vast solderen…”
ChromeMaximaII – “Er worden maar heel weinig printen ontworpen die meteen de eerste keer helemaal goed zijn. Geloof me, ik heb genoeg ‘eersten’ gezien.”
Snameroc – “Begrijp ik goed dat je een vervanger display hebt ontworpen voor de cd 202?
Zo ja kun je die dan bij je kopen?
Ik heb wel intresse”
MGF – “Begrijp ik het goed dat je een imitatie display hebt gemaakt die je al kant en klaar kan kopen? , Die “moderne” vervangers van displays kan je toch al lang bij volgens mij een Franstalige webshop kopen?”
Je begrijp het goed, maar 45 + 8 euro verzend kosten …?! , Ik ben een zeeuw , dan hobby ik liever zelf even..is tot nu toe goedkoper en heb er meer plezier van. Maar hoe gaat jouw project reverse enginering 4202 ?
bramjacobse schreef: “dan hobby ik liever zelf even..is tot nu toe goedkoper en heb er meer plezier van.
MGF – “Goed punt!”
bramjacobse schreef : “Maar hoe gaat jouw project reverse enginering 4202 ?”
MGF – “Die ligt even stil door diverse andere “projecten”, de code heb ik redelijk op orde, alleen nog mooie passende displays vinden en dan maar eens verdiepen in PCB design.”
Zelf ben ik met diptrace aan het stoeien. Gisteravond eindelijk een print kunnen maken met de juiste afmetingen 40mm*20mm en 3D componenten bibliotheek aan de praat gekregen

Van het weekend nog eens kijken hoe ik de silk-screen kan bewerken bij de header.
MGF – “Ziet er indrukwekkend uit!
Ik ben al zo lang uit printplaat ontwerp. Op school ooit nog gedaan met Ultiboard/Ulticap…”
Das handig 1 op 1 print functie
originele NSM4202 houder met papieren 1 op 1 versie print

Past precies

Oude en nieuwe display

Movieman – “Wordt wel een duur display op deze manier… Hoe lang ben je er al mee bezig? Onbetaalbaar die uren! Als je helemaal tevreden bent met het eindresultaat dan is het wellicht een product voor de webshop, moet natuurlijk geen 50 euro gaan kosten want dan kun je net zo goed op Ebay bestellen…”
Hobby’s kosten geld.
Als ik tevreden ben en de print nagenoeg 1 op 1 uitwisselbaars is met de NSM4202
zal ik de Gerber bestanden hier neerzetten.
Batch printjes is binnen , de eerste productie-run kan beginnen

Kijken of het allemaal netjes past en zichtbaar blijft in het venster van de CD202.

De definitive versie is inmiddels ook onderweg.
ChromeMaximaII – “Schitterend!”
David – “Is dat al de batch met de correcties? Rap gedaan dan!”
Frame NSM4202 aangepast om ruimte te maken voor de mm5450

Ruimte voor mm5440

Zonder filter

En werken in de cd202

Hoewie Loewie -“Dat ziet er gelikt uit Bram. Mooi gedaan! “
Thomas – “Super gaaf dit, Bram! Even voor de goede orde: heb je nu in feit hetzelfde gemaakt als die Fransman? Dat is wel heel mooi gelukt hoor! Nu eigenlijk nog segmentjes met “rechte” eindjes in plaats van 45 graden hoekjes voor maximale originaliteit. Brutale vraag… Zou dit leuk zijn als webshop kitje?”
Movieman -“Ja, ben ik met je eens Thomas, heeft-ie mooi gedaan! Er zit wat knutseltalent op het forum hier, nou zeg!”
Will – “Als je het originele uiterlijk wil behouden dan moet je geen 7-segments displays gebruiken, maar losse ledjes.
Het plastic deel met de streepjes zit aan de achterkant met laspuntjes vastgesmolten. Als je die los knipt kun je het voorzichtig los trekken van de print.
Je ziet dan miniscule ledjes zitten. Als je de print zo ontwerpt dat onder de segmenten een smd-led chipje past dan kun je het kapje daar weer over heen zetten.
Voorlopig ben ik bezig met de variant met een microcontroller en gemultiplexte aansturing van 7 sement displays. Ik ben niet zo handig (meer) met printontwerp dus ik wil een mogelijkheid open houden om het gewoon op een stukje print te “prutsen”.
De gepresenteerde oplossing is in essentie dezelfde als die franse. Los van het printje kom je aan onderdelen al rond de 20-25 euro, als ik uit ga van de ebay-prijzen van de chip.
Ik ben blij dat je deze oplossing hier presenteert, Bram. Nu komt er wat schot in de zaak.”
Will Schreef – “Als je de print zo ontwerpt dat onder de segmenten een smd-led chipje past dan kun je het kapje daar weer over heen zetten.”
Daar zat ik ook nog aan te denken.
Maar dat gaat mij niet lukken .
MAE – “Kapje kun je wellicht 3D-printen, maar… het is misschien makkelijker om een maskertje te laten snijden uit stickermateriaal. Dat doe je over de displays heen en heeft dan rechte hoekjes op de essentieele plaatsen.”

ChromeMaximaII – “Als het op de laatste mm aankomt gaat alles meetellen. Ik zie nog wel wat ruimte om de footprints van de componenten wat strakker te tekenen. Componenten niet helemaal omlijnen op het silkscreen (misschien zelfs helemaal weglaten), soldeerpadjes van de displays wat verkleinen, het kan misschien nèt genoeg zijn.”
Zo inmiddels vierkante ogen en een trackpad wijsvinger
40mm * 20 mm met 29 0402 SMD leds,
Nu maar eens heel goed het bestande front nameten.
en de SMD led precies plaatsen.

ChromeMaximaII – “Dit gaat de goede kant op.”
O,ja het is nog een idee
Het wordt een enorme gepriegel..met 0402 smd-leds
Ik had nog 0603 smd-leds liggen, maar die passen echt niet.
# met de bevestinging gatjes voor het oude front…

MGF -“Erg mooi Bram!
Met mijn project had ik zelf gehoopt met complete displays goedkoper/sneller klaar te kunnen zijn, maar daar zit veel meer ontwikkeling in.
Die leds solderen kost wel aardig wat werk, of heb je een SMD oventje?
Zou je met die MM5450 ook de NSM4002 kunnen nabouwen? Die heeft namelijk wat meer leds aan te sturen. Volgens die driver/led output tabel die op internet rond zwerft, moet dat volgens mij wel kunnen.”
David – “Wat paste er niet aan die 0603 leds? De footprint is altijd heel ‘ruim’ van SMD’s…..”
MGf schreef – “Zou je met die MM5450 ook de NSM4002 kunnen nabouwen? Die heeft namelijk wat meer leds aan te sturen. Volgens die driver/led output tabel die op internet rond zwerft, moet dat volgens mij wel kunnen.”
Hoi MGf,
Ja dat kan , ik ben voor dit expiriment uit gegaan van een NSM4202a (NSM4002) vervanger
De dubbele punt is hier gemaakt met twee 0603 SMD leds.
Als je van op zij naar dit display kijkt dan zie je de dubbele punt niet meer .
en ze staan niet onder een hoek van een paar graden op de print,
Ook verlicht de dubbele punt de witte zijkant van de 7 segments te veel, je ziet dan een groene gloed

David schreef: “Wat paste er niet aan die 0603 leds?”
De footprint is altijd heel ‘ruim’ van SMD’s…..
Tja :think:, …29 0603 smd-leds op de micrometer uitlijnen..?
Denk dat je met 0402 iets meer kan sjoemelen…kwa plaatsing.
0603 smd-led.

Best een grote led voor z’n klein gatje

errwwww

SONY DSC
will – “Schiet wel lekker op zo,
De chipledjes die ik bedoelde zijn andere. Die zijn een stuk platter. Daar zit dat “lensje” niet op.
Hoe dan ook, het blijft een enorm gepriegel. Achter de computer gaat dat nog wel, dan kun je flink inzoomen. Met de soldeerbout of het pincet wordt dat een stuk lastiger.”
Zelf heb ik 0402 gevonden 1mm* 0.5mm en 0.2mm hoog..
http://www.bramjacobse.nl/show/nsm4202/1776621.pdf
David -“Wat zit er origineel onder?
Als je de pads goed dimensioneert, trekken de leds perfect op hun goede plek in de oven door de soldeerpasta.”
ChromeMaximaII – “Dat klopt, mits de soldeerpasta voor de padjes exact identiek is aangebracht. Anders trekt het uit het midden of staan ze zelfs rechtop (thumbstoning). Dat lukt je met zulke kleine padjes alleen goed met een stencil.
Is de houder als mal te gebruiken voor uitlijning om daarmee de leds eerst met een dotje lijm te fixeren? “
David – “Ik heb een pasta dot machientje, denk dat het daar ook prima mee lukt.
Tombstoning is lastig, maar gebeurt meestal alleen als een component niet goed in de pasta wordt geplaatst.
Hoe hoog boven de print staat dat stukkie plastic?”
David schreef: “Ik heb een pasta dot machientje, denk dat het daar ook prima mee lukt.
Tombstoning is lastig, maar gebeurt meestal alleen als een component niet goed in de pasta wordt geplaatst.
Hoe hoog boven de print staat dat stukkie plastic?”
Het staat strak op de print.
David – “Ok en hoe zien de originele ledjes er uit?”
Will schreef: “De chipledjes die ik bedoelde zijn andere. Die zijn een stuk platter. Daar zit dat “lensje” niet op.
Zelf heb ik 0402 gevonden 1mm* 0.5mm en 0.2mm hoog..
Deze geelgroen: https://www.conrad.nl/nl/rohm-semicondu … 57921.html
Of deze groen: https://www.conrad.nl/nl/rohm-semicondu … 57923.html
Gek genoeg kan ik deze bij Rohm.de niet vinden.
Komt wel op hetzelfde neer als jij gevonden hebt. Ze zijn 0,2 mm dik. Jouw eerste foto van de led met lensje is 0,5 mm, scheelt dus de helft.
@David: het plastik ligt plat op de print. Je moet dus opletten met overstraling naar de andere segmenten als het niet helemaal aansluit.”
David schreef: “Ok en hoe zien de originele ledjes er uit?”



Will – “Sow, d’as wel heel kort er op. Gebruik je een macrolens met tussenringen?”
200mm Macro + 1.4x converter – full-Frame kamera op statief spiegel opklap , timer….
om trilingen te voorkomen…
David – “Dat zijn strakke foto’s!
Ik wist niet dat ze de led’s er zo op hadden zitten, heel verhelderend verhaal.
0402 moet goed te doen zijn dan. Alleen nog een kleine micro erbij zodat die lompe Micrel niet hoeft…… mooi!”
Weer een stapje verder.
Alles netjes uitgemeten met een 1 op 1 model op papier.

Soldeer eilandjes op de juiste plaats..
(dit is niet de definitie versie )

straks maar eens kijken of ik alle segmenten op de juiste pootjes van de MM5450 heb gezet..
En nu wachten , 14 dagen of zo…3 printjes voor 6 euro incl verzenden.



David – “Mooi!”
De juiste versie is onderweg

Will – “Ga je ook nog een NSM4002 versie maken?”
NSM4002 & NSM4202 zijn toch gelijk aan elkaar of mis nu iets.
NSM4202a is de andere versie…die print kan vinden op OSHpark en uitleg op diyaudio inclusief schema en gerber en dip trace file’s
Will – “De NSM4002 heeft toch andere aansluitpootjes, vijf beneden en drie linksboven en twee rechtsboven.
En een dubbele punt in het midden.
De NSM4002a heeft beneden zeven aansluitingen, waarvan een niet aangesloten is.
Deze heeft een decimale punt in het midden.
Functioneel verschillen die twee alleen in een extra led voor de afstandsbediening.
De NSM4202 heeft toch alle aansluitingen beneden? Of zie ik dat verkeerd?”
ik weet niet betere dan dat het zo zit
NSM4202 = 9 pins onder ( pin 7 wordt soms gebruik om led intensiteit te regelen )
NSM4002a = NSM4202a = 7pins beneden, linksboven 3 en rechts boven 2.
Will –
“In de sm van de CD160 staat dit:

- NSM4002 (L) NSM4002A (R)

Voor een duidelijker overzicht kun je het beste even in de sm zelf kijken”
MGf – “Dat is interessant, die variant had ik nog niet gezien.
Ik wist dat de NSM4002 twee extra leds had, maar die IR led had ik toen nog niet gezien.
Heb ik het dan goed dat er toch maar twee varianten zijn?:
NSM4002/4202: 2 leds, 9 pins
NSM4002A/4202A: 3, 4 of 5 leds, 12 pins
Maar nu zie ik de aanduiding in de plaatjes NSM4002 (zonder A) met 12 pins ipv 9….
Ik ben de weg inmiddels weer kwijt…
Ik dacht nog een mooi lijstje gemaakt te hebben: http://www.markgrob.nl/philips-nsm4002- … play-list/Waarbij de A-versie 12 pins heeft en de non-A 9…. maar of dat nog wel juist is.”
Will – “Wanhoop niet
In essentie zijn ze allemaal hetzelfde, alleen de aansluitingen verschillen. Met losse draadjes is het dus “universeel”. Die IR-led is natuurlijk geen echte, maar een indicatie-ledje dat de speler een signaal ontvangt van de afstandsbediening.”
Heb zojuist SM gevonden van CD160 en ik zie niets vreemd,
Het lijkt er op dat op jouw plaatje uit service manual en foutje zit
Print layout is zover ik zie hetzelfde, alleen krijgt de linker geen voedingspanning ![]()
Namelijk pin 6 & 7 ( Ground en Vled)

Maar ik ga nog uit andere bronnen cd160 manuals zoeken…
Aantal Pennen is gelijk ..
NSM4002a met 12 pennen, pen 10 is remote led

NSM4002 met 12 pennen

MGF – “Dat is dus een NSM4002 met 12 pennen. Maar in de CD202 zit een NSM4002 met 9 pennen… Blijft leuk….”
Ik snap het even niet meer , ik moet maar eens op zoek naar een ouderwets databoek van
National semiconductors…
NSM4000 gevonden nu de rest van de familie nog , link naar PDF pagina 116
Will -“Als je bedoelt: “alleen krijgt de linker geen voedingsspanning”
Dan heb je deels gelijk, denk ik. Alleen zijn het pen 4 en 6, 7 is de instelling van de led-stroom. 6 en 7 zijn in het linkerplaatje niet getekend. Dat zal inderdaad een fout zijn.”
Je heb gelijk mijn fout , ik zat in de NSM4202 mode
, heb post aangepast en plaatje toegevoegd
Will – “Weer een stapje in de display-reeks: Hoewel de servicemanual van de CD160 staat dat er een NSM4002 en NSM4002a in zou zitten, zit er in de CD160 uit de tombola een NSM4202a.

NSM4202A in de CD160
7 + 2 + 3 aansluitingen, pen 5 is niet gebruikt. Nummering is net zoals bij een DIL-ic: linksonder beginnen en tegen de klok in.”
Nog een variant
NSM4700 uit B&O cdx



Met de serienummers die op de print te vinden zijn, kom je ook uit bij Hyunda


Interessant. Lijkt er wel een beetje op dat HY-214 later nagestempeld is? In het koper herken ik toch wel een National Semiconductor logo.

Airmax78 – “de pinout van de NSM 4002, 4202, 4000A, 4700 (9 pins) ist altijd hetzelfde, het verschil is inderdaad de kleur van de LEDs (groen, rood, hyperrood), maar de weerstand voor de helderheid (als ik goed in mijn kop heb zit deze tussen pin 6 & 7) dient aangepast te worden.
Bij de NSM 4202A (12 pins) zijn de 4 decimaalpunten (outbits 8;16;24;32) op het display zelf werkloos: in plaats daarvan word hier de semicolon aangestuurd (outbit 16) en 3 LEDs buiten het display: PAUSE (outbit 8 ), TIME (outbit 24), TRACK (outbit 32).”
Mgf – “Niet altijd 3 externe LEDs, soms ook 4 of 5..”
ze zijn er .!

Werkt.

ChromeMaximaII -” Alle puntjes nu goed bedraad? , Ziet weer keurig uit Bram! “
Printje is nu perfect, soldeerpads iets kleiner gemaakt voor PLCC-44 en de 7 segments
Thomas een PB gestuurd voor webshopkit.
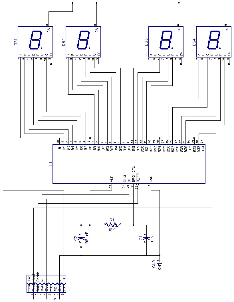
Het schema

U1 – Micrel MM5450 SMD
DS1 – Kingbright ACSA03-41SGWA-F01
DS2 – Kingbright ACSA03-41SGWA-F01
DS3 – Kingbright ACSA03-41SGWA-F01
DS4 – Kingbright ACSA03-41SGWA-F01
R1 – 10 KOhm SMD 1206
C1 – 1000pF SMD 1206
C2 – 100nF SMD 1206
J1 – 9 Pin Header
R1 – Bepaalt intensiteit van de display , bijv 7k5 Ohm voor iets meer licht.
De gerber file
Hoewie Loewie – “Heel mooi gedaan, Bram.”
Movieman – “Dat schema daar moet ik eens ff voor gaan zitten, zo hoog is mijn IQ nu ook weer niet
Ziet er mooi uit Bram! Perfectionisme scheelt er niet aan bij jou.”
Mea – “Off-topic: als je van puzzelen houd, pak eens het schema van de volumeregeling van een Beomaster 2400 en pak niet meteen de schemabeschrijving erbij. Duurt wel ff een kwartiertje voor je het door hebt.”
Will – “Netjes Bram!
Nu ben ik heel benieuwd naar de de versie met de chipleds.”
Will schreef : – ” Netjes Bram!
Nu ben ik heel benieuwd naar de de versie met de chipleds.”
Ik niet :pray: , ik heb gisteren de smd-leds binnen gekregen….en das niet grappig zo klein.
Will – “Je mag een setje naar me opsturen, als je de printjes binnen hebt en als je wil.
Dan kijk ik wel of ik er wat van kan bakken.
(Ahum, dat laatste kun je bijna letterlijk nemen.”
Volgende week zijn ze er….

Het frontje past precies en de soldeer eilandjes zijn zichtbaar onder segmentjes.
Tijd om te prutsen

Eerste testje
#1 eerste 2 smd leds

Met het oude frontje…past

Met 4 SMD-led

Gaat Goed


denk dat het goed komt
ChromeMaximaII – “Dit ziet veelbelovend uit!”
Movieman – “Die zijn wel erg fel hè of meen ik dat maar? Doet op de foto al pijn aan de ogen!”
Ik moet nog even de juiste voorschakel weerstandswaarde bepalen.
Gelukt..


Wie gaat er nu om een NSM4202a variant vragen , ja die met 12 pinnen…
Will – “Dit is toch de mooiste oplossing! Goed werk Bram.
Komt er ook nog een NSM4202a variant?”
Dankje wel, en omdat je het zo netjes vraagt en diptrace zo fijn werkt.
Zie ik mogelijkheden

ChromeMaximaII – “Mijn complimenten Bram, dit is een zeer elegant eindresultaat geworden.”
Fotohuis – “Knap werk!”
snameroc – “Vandaag het display wat Bram opgestuurd heeft ingebouwd
Werkt goed , Bedankt Bram “



movieman schreef: Die zijn wel erg fel hè of meen ik dat maar? Doet op de foto al pijn aan de ogen!”
Bram schreef – “Ik moet nog even de juiste voorschakel weerstandswaarde bepalen.
Gr Bram “
Ik moet op zoek naar andere SMD leds , het type wat ik nu gebruik geeft teveel licht ( 50 mcd )
Als ik de stroom met de weerstand teveel aanpas , worden de twee bestaande LED’s te zwak.
Dus meer eens even verdiepen in de Candela…
Weet iemand misschien hoeveel Candela de orginele time/track leds zijn…oude datasheet.?!
Movieman – “Standaard LED’s zijn meestal tussen de 10 en 20 mcd. Ik denk dat de stralingshoek ook belangrijk is, 120 graden of zo zou ik doen… Kies voor een diffuus type als je die kunt krijgen…”
Snameroc – “Heb je van het aan mijn geleverde printje geen gegevens van de displays?
Die lichtsterkte komt schitterend overeen met de track leds”
Inmiddels gevonden = 3500 ucd = 3,5 mcd voor de ACSA03-41SGWA-F01 7 segments
Ik heb een Panasonic smd led gevonden van 10 mcd en een rohm van 2.1 mcd.
Denk dat de Panasonic 10 mcd de beste optie is , het moet ook nog door een folie heen schijn van de oude behuizing, een soort kalkpapier..!?
Vandaag de layout van de NSM4202a klaar gemaakt.
En ander type smd-leds besteld



Omdat ik niet helemaal tevreden ben met de SMD vervanger en de helderheid regeling in combinatie met bestaande Time / Track led’s wil ik dit oplossen door de externe led’s van een eigen schakelaar/switch te voorzien buiten om de MM5450.
ik heb het met een PNP transistor getest en dat werkt. maar is dit de juiste en juiste oplossing…?
Of moet ik het met een P-fet je doen…de led moet aan gaan als de uit/ingang van de NM5450 0 volt is.
r1 basis pnp / pin 1 Fet komt aan de out1-34 van de MM5450
Mijn vraag wat is de juiste en of beste oplossing.?


smaneroc – “Ik zou zeggen met de transistor een belast de uitgang minder maar tov een led is een basisstroom van een transistor ook al weinig”
Airmax78 – “volgens mij zou het gewoon het slimste zijn, de buitenstaande LEDs ook te vervangen door LEDs met een hogere helderheid, en tenslotte de helderheid van het gehele displaymodule dmv van de weerstand aanpassen.”
Testje met externe led’s buiten om de regeling van de mm5450
segmentjes bijna uit.

segmentjes volle sterkte, de externe ledjes blijven netjes

test gelukt
nu de 4 smd-weerstanden en 2 smd-torretjes op de nsm4002 print erbij plaatsen.
en op de nsm4202a 10 weerstanden en 5 torretjes..

Vandaag de definitieve versie binnen gekregen het NSM4002/4202 smd-display
Bij deze versie kan de lichtsterkte van het display onafhankelijk ingesteld worden ten opzicht van de externe time/track leds


Movieman – “Dit is een hele verbetering t.o.v. de eerste versie met veel te fel en “puntig” licht!”
David – “Eerlijkheidshalve moet ik bekennen dat ik je eerste ontwerpje niet zo mooi vond. Dat heb je ruimschoots goedgemaakt, hulde! Mooi werk!”
Printje in CD303

Zonder front op display

Met originele display front…

de NSM4202a



En nu wil ik voorlopig geen SMD0402 meer zien..pffff wat klein
Ik heb nog lege-printjes dus als iemand wil proberen.
2023 : pick and placed leds 🙂


