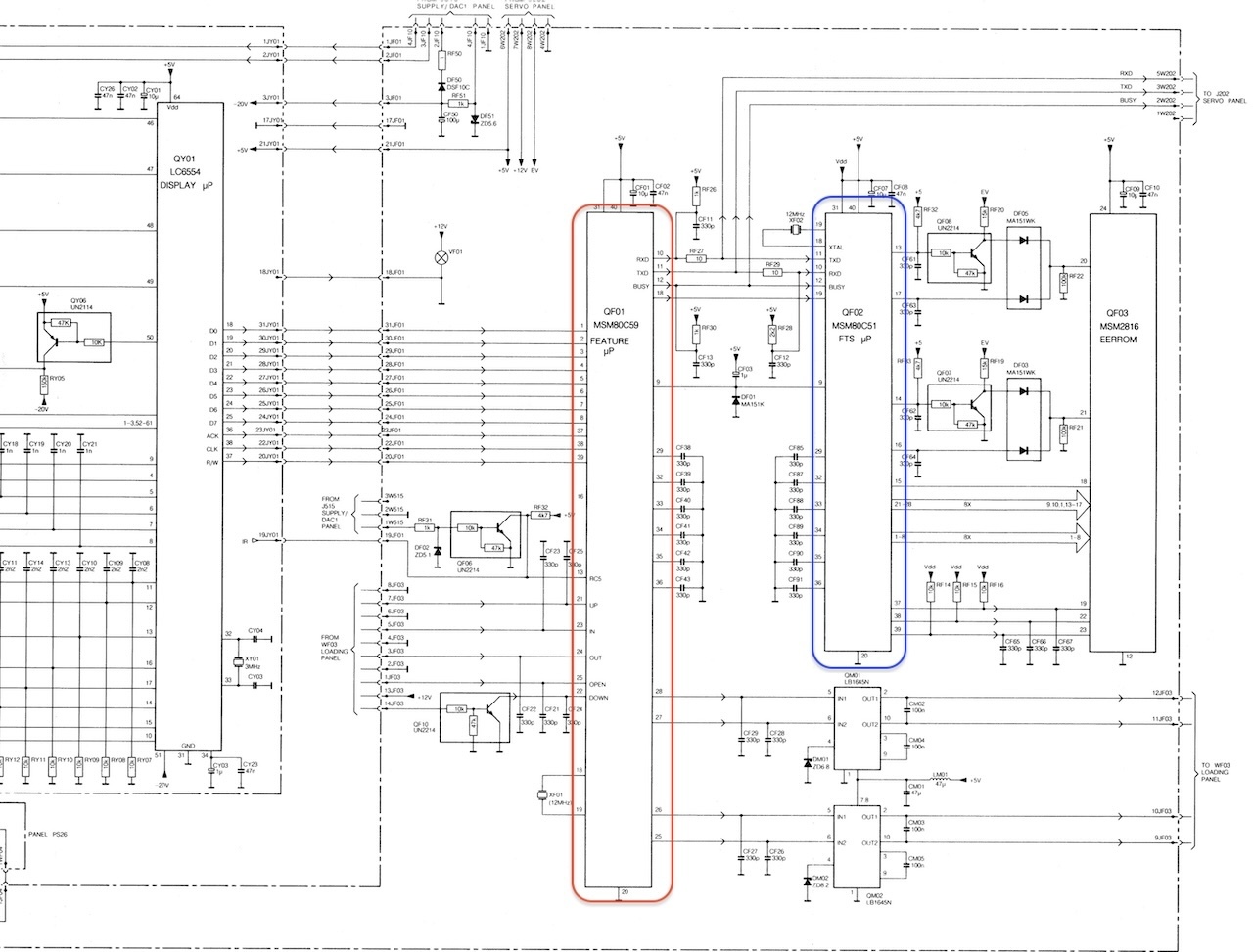
Processors Masked Rom Dumps CD960 , CD94 (mk2) ,CD 12
Today I attempted to dump a the CPU mask_ROM’s s from a CD960, CD94, CD12.
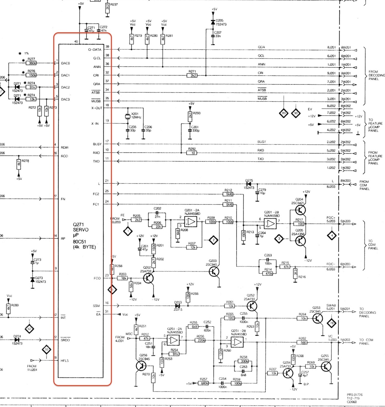
- Servo CPU : 80C51-F-121
- FTS CPU :80C51-F-105
- Feature CPU : 83C154-69 , in some service documantation also shown as a 80C59


These players have some 8051 family processors with masked ROMs , Version F-xxx . My first attempt is the Servo CPU version 80C5- F-121.
I found a nice little project on GitLab: 8051dumper
Recreated this project and got it working after some fiddling, took some time to find the External Clock_in problem

80c51 f121 dumped via the dumper and serial_USB in putty the data captured as Intel_Hex_File

And put the Data in a AT89C51RC Proof of Concept
Also dumped the Feature CPU 83HC154-69 and the FTS CPU 80C51-F-105

Testing with copy Feature Rom

And finally the FTS CPU

