CD 16 CD loading Problem and DAC problem
When it reads CD’s it play flawless and audio is present on the digital output , Analog won’t work ;-( ,
The player has been in a repair shop for CD loading problems. then the said the is laser broken and the player could not be repaired ;-o




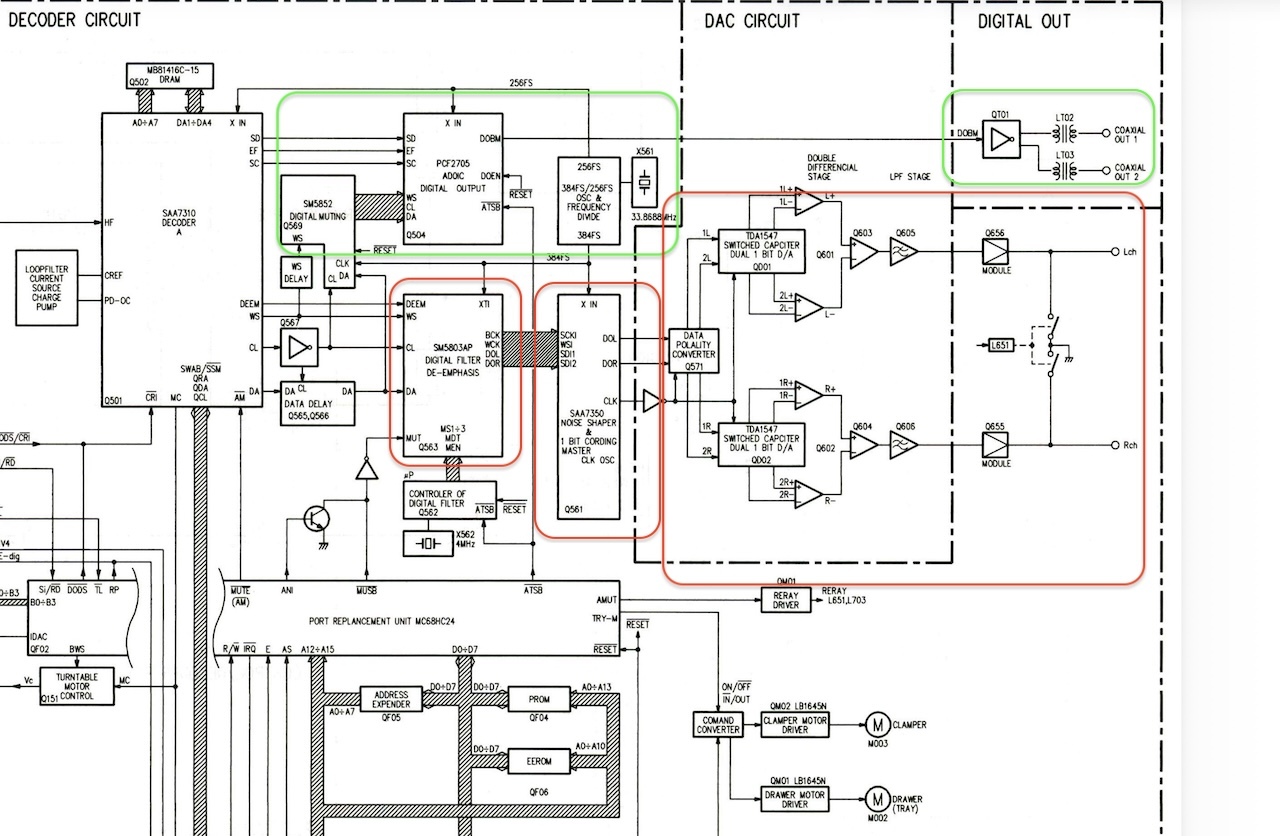
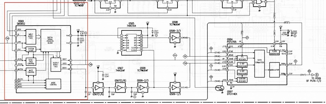
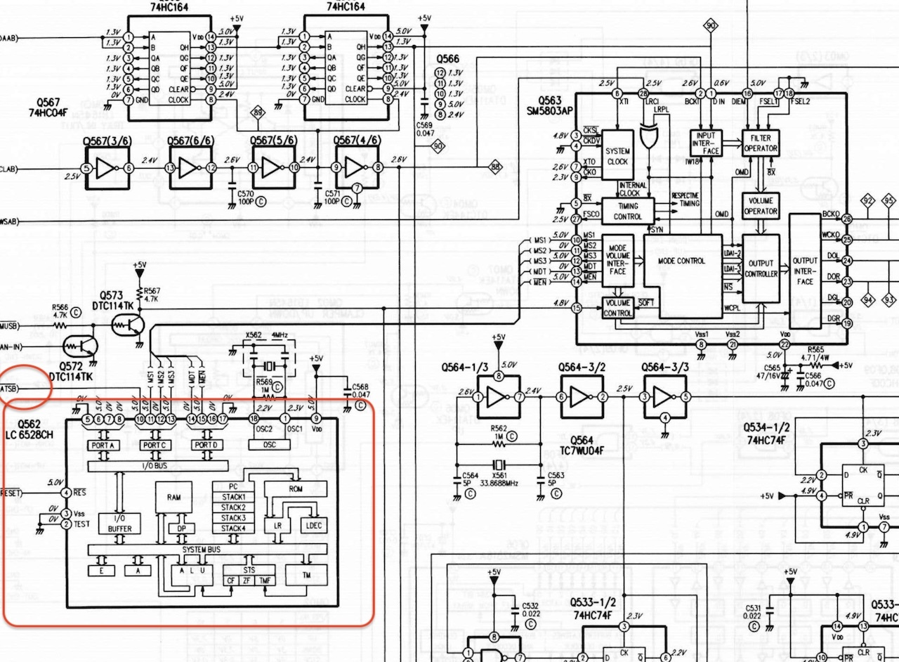
Lets check if the SM5803 is working

Okay what is this…?! why..?!

DOL Data Left channel when in stop , look okay

BCKO , the bit clock, okay

Play a CD , data on DOL & DOR

I see some strandes orange dots on safety resistors , the are burned


7 in total all in the + & – 5 volt

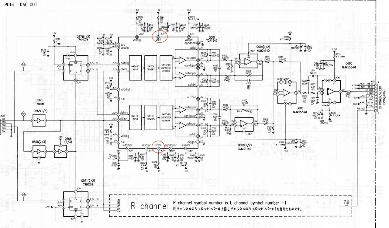
Replaced the resisitos and now we have a working right Channel.., left is still dead…;-( , aha Left channel TDA1547 has vREF of -0.5 instead of 4.7volt…the 560 ohm ressitor is fine ..


Carefully desoldered sDIL IC , -5 volt for pin 8 & 25 is correct now

bought NOS TDA1547 ….New Old Stock 😉

Repaired DAC Board

Next CD Loading , New Belt and cleaning all pulleys .




