MAB 8440 D011 Replica test
Philips D011 Processor

Tested a MAB 8840 D011 Replica and i found a very small and rare bug, sometimes the first part of audio is missing after pressing play/next. i think this problem is the interplay between P-bit , Pause Music from the SAA7010 demodulator and Mute on servo processor

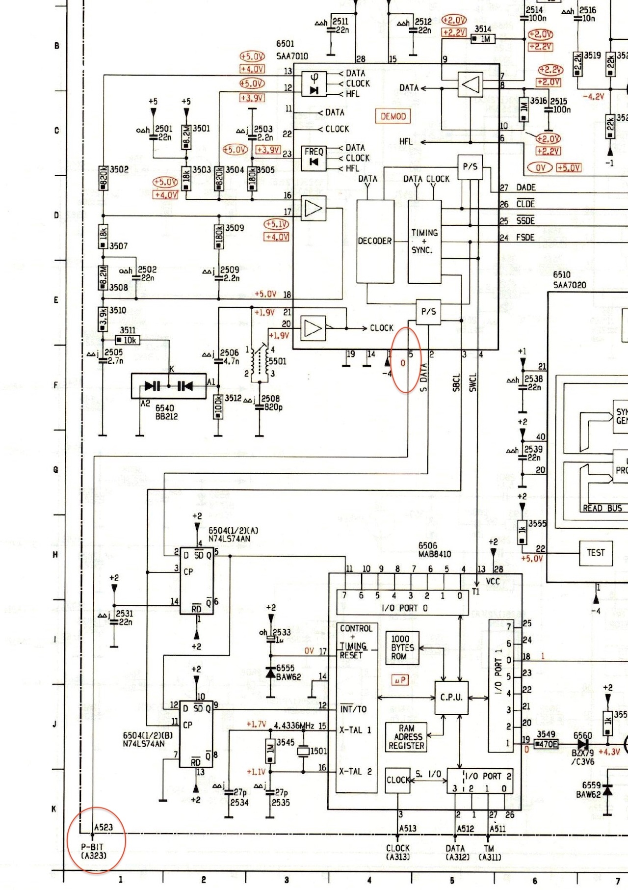
P-Bit signal from the SAA7010 demodulator goes to the MAB D011 Servo Processor


P-bit to Servo processor
- Pin 5 input – P-bit High = Audio Pause from SAA7010 demodulator

- Pin 6 output – Mute Low = Mute Audio to SAA7020 Error correction pin 39


Okay first
Rolling scope capture from Original Philips MAB D011 after pressing play/next , with CD Listen To The Futere Vol 1
- Yellow P-Bit : High=Pause Music
- Purple = Mute : Low = Mute Audio
- Blue Start new track

Rolling scope capture from Replica MAB D011 after pressing play/next , with CD Listen To The Futere Vol 1
The small problem , missing a fraction of a second audio , next track is okay

here we are missing a fraction of a second audio P-bit low, Mute is to late high

Here some early information of the Music Pause Bit.

Example P & Q Data on a CD

P-bit in simplfied block diagram for the Compact Disc Digital Audio System

How does track search work in 1st generation Philips CD players
In the current "compact-disc' player an information block to be reproduced next (here in after referred to as "track') is searched as follows. Assume that at a specific instant trackis being reproduced and via the keys it is requested to reproduce track j, being for example greater than i. Since the numbers of the tracks on the record carrier increase from the center towards the periphery, not necessarily starting with 1, the control means know that the track numbers must be situated further towards the periphery of the record carrier. In order to speed up the search process the control means then control the read means so as to make radial jumps of 256 tracks. Each jump is made towards the periphery of the record carrier; and after every jump, tracking is restored and the location of the read means relative to the track is derived from the subcode. If track numbers is not yet reached, a new jump over 256 tracks towards the periphery of the record carrier is made. This continues until after such a jump the tracks is reached, for example in that after this jump the read means are already situated at tracks. Subsequently, a backward jump over 128 tracks is made and again the number of the track at which the read means are now located is derived from the subcode. If the read means are now located at track number j-1 a forward jump over 64 tracks is made. In this way the beginning of tracks is reached by forward or backward jumps which each time become factor of 2 smaller. Such a search procedure is also referred to as the "binary search” code procedure. This “binary search' procedure may take much time, in particular if the tracks j and i are situated far from one another. In the foregoing reference has been made to "jumps over a number of tracks'. It is to be noted that record carriers such as compact discs comprise only one track which extends along the spiral path from the center towards the periphery of the record carrier. Therefore, the statement "jumps over a number of tracks' is to be understood to mean in fact jumps which equal the size of a number of times the track pitch, which is the radial displacement of the read means in one revolution of the record carrier. Further, it is to be noted that the choice of the jumps over 256 tracks is dictated by the fact that the lead-out track which is situated after the end of the last track number on the record carrier should have a width of at least 300 tracks. Using jumps over 256 tracks ensures that the lead-out track is always reached in the case of an outward search movement over the record carrier.
More information in : New track search – “This is the postman”
Also Found strange led behavior , track 10 is playing.the program led 10 is off instead of on

bugs have been reported.
