CD 80 Debugged :-)
CD 80 won’t read Table Of Content

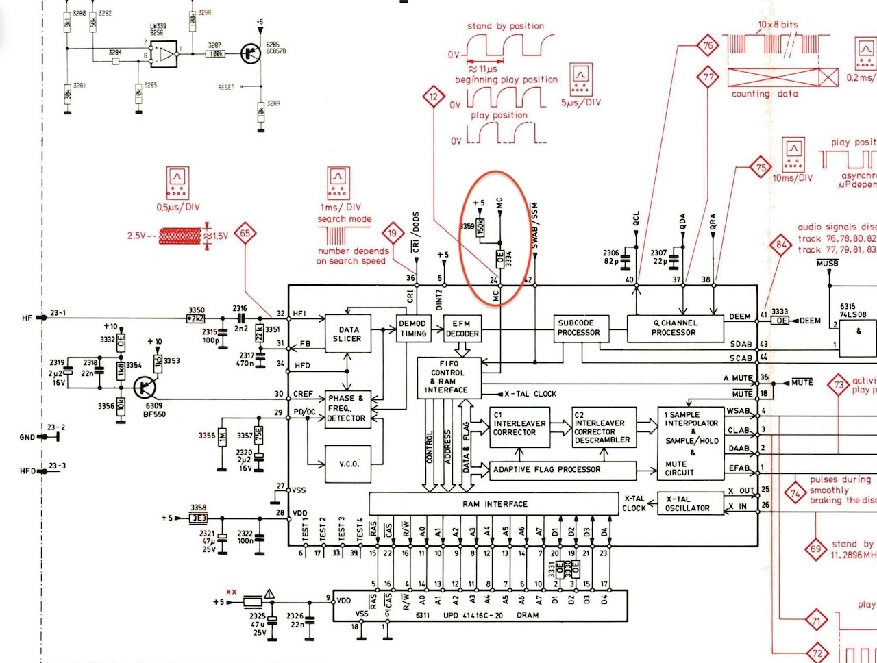
Following the HF signal to SAA7310

Checking is there is a Motor Control signal


In service mode 3 the player is direct playing audio , thats strange, normaly you have to wait until lead-in is played . .Found something, The swing-arm can’t move completly to the inside of the CD

It’s a bee-cocon 🙂 , the player is owned by a Beekeeper

