CD 100 repair
“A friend of mine also bought a Philips cd100 cd player because he really likes mine.
Unfortunately, after the purchase, his CD player does not work either.
The device turns on, focuses, but no longer reads the table of contents.”
The player has already been recapped and on the servoboard all ic’s are in ic-scokets now., the circuitsboards have also been resoldered.

checkout the ground wire by the HF output..


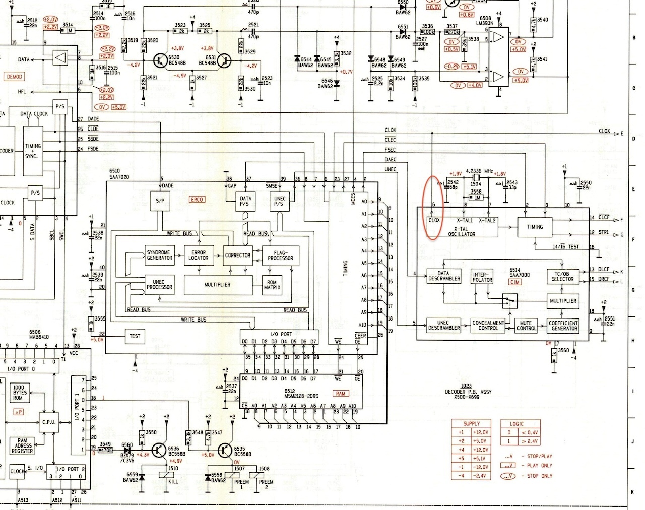
CPU’s working, Disc speed is way to fast…



Laser is working

We had a faulty SAA7000 that has no clock output anymore , thats why the disc is running to fast.

We also had a short between pin 12,13 on the 74ls74 , the reason why there is no TOC reading..

Final Test, Playing the Playability test CD , disc with special defects

EDIT 2024-03-20 : Oeps , The owner replaced more ic-sockets and now it is not working anymore , if i could help again 🙂 , also has some transport damage 🙁


Repair PCB and traces

Short circuit in Audio path

Broken solder PCB trace , misisng 5 volt to TDA1540 dacs

Still missing 1 channel

“According to my friend’s feedback, the cd 100 works flawlessly and thanks again for your help. I wish you all the best.”
