CD 100 Wrongly Wired CDM-0 after recap
If i could have a look at a wrongly wired CD 100 After Recap , Disc is not reconized anymore.

Checked the Laser , it’s fine

68µf replaced bij 47µf + 22µf

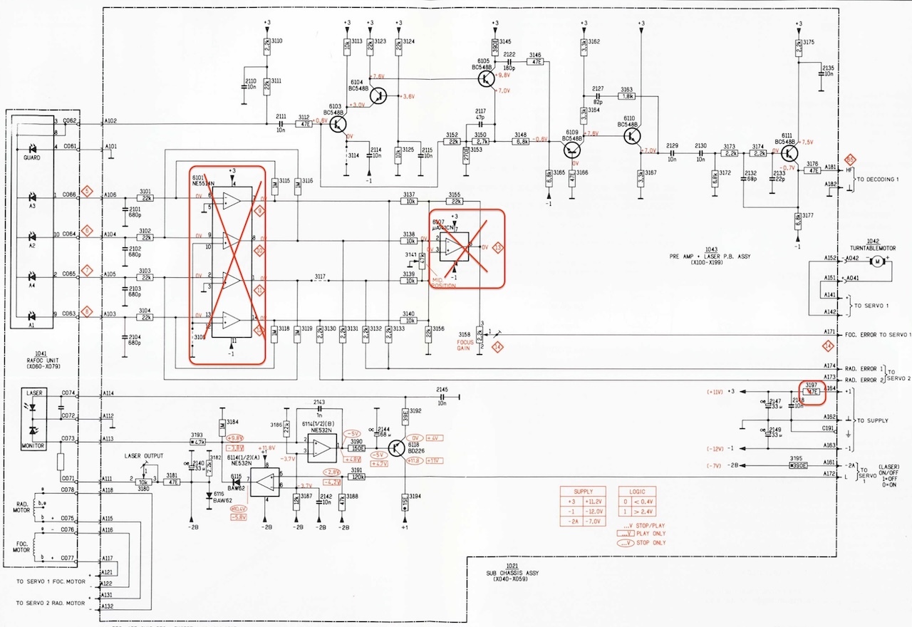
The power connector was placed one postion to the right , -2a was not connectod, at power on a safety resistor burned, NE5514 and µa741 probebly faulty.


After replacing NE5514 and µa741 -12 Volt was -8 Volt, Further inspections lead to this short circuit

After removing the short , The focus point is found and i can hear the focus and radial working, the motor won’t start, After some measurements i found a bad BC635 , replaced the BC635 and the player is working again,



240 volt


