CD 80 – 12 / 8 cm disc problem
This CD 80 japan version 100 v , has a strange problem , audio distortion after few minutes or hours

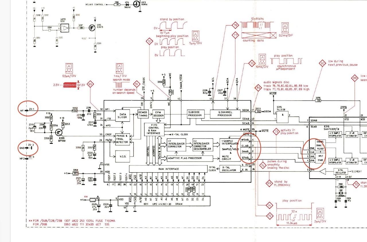
Error Flag becomes high and audio distortion is audible Audio Distortion

Found something in PWM to motor , this is PWM in stop 50%

Eye is moving a lot ?! Disc speed , Here is the PWM when distortion occours , Buffer overflow , disc is rotating to fast

I think i found something , with 12cm Disc’s the player thinks its a 8 cm Disc

Motor speed control (see Fig. 10)
The motor speed control (MSC) output from pin 17 (24) is a pulse-width modulated signal. The duty factor of the pulse-width modulation is calculated from the difference in numerical value between the WRITE 1and READ 1addresses, the difference being nominally half of the FIFO space. The calculation is performed at a rate of 88,2 kHz.
The duty factor of MSC varies in 62 steps from 1,6% (FIFO full) to 98,4% (FIFO empty). When a motor-start signal is detected (via SWAB/SSM) the duty factor is forced to 98,4% for 0,2 seconds followed by a normal, calculated signal. After a motor-stop signal is detected the duty factor is forced
to 1,6% for 0,2 seconds followed by a continuous 50% duty factor. A change in motor start/stop status occurring within the 0,2 second periods overrides the previous condition and resets the data control timer.”

if we make this point low, the players is working fine with normal 12cm discs

PWM now about 50 % , no buffer overflow , could it be a firmware issue..?! this player has a P111 masked processor
The processor is determing the disc size at start-up , measuring the MC signal..

i have seen CD80 with P123 masked processors.

I check and check the circuit and measured all Resitors and Capicitor and i found 1 resistor that is not correct according to the diagram

120 k instead off 110 k

Change the 120k to 110k
there is a change, the player now work a little bit beter disc of 16 gram play fine , disc of 15 gram not


After i changed the resistor to 75k the player works correct with 12 and 8 cm Disc’s
There must be a problem in de closed loop , but i cannot pinpoint the problem. i have checked the motorcircuit , capicitors ect ect. Maybe Firmware P111 is a liitle different then P123…
Replaced 2 relais in audio path , some stranges level jumps.

Replace small blue Philips Capicitors, drop to 25% in capacity.

Working Fine playing 12cm and 8cm disc 🙂

